2020-06-04
東莞市德藝隆電子有限公司是一家專業設計、生產、銷售為一體的精密廠商,是一家大型生產各種微動開關的20年老品牌廠家。今天跟大家講解的是微動開關接線圖。
首先在說到微動開關接線圖前,我們先來了解一下微動開關的原理:
微動開關是具有微小接點間隔和快動機構,用規定的行程和規定的力進行開關動作的接點機構,用外殼覆蓋,其外部有驅動桿的一種開關。
外機械力通過傳動元件(按銷、按鈕、杠桿、滾輪等)將力作用于動作簧片上,當動作簧片位移到臨界點時產生瞬時動作,使動作簧片末端的動觸點與定觸點快速接通或斷開。
當傳動元件上的作用力移去后,動作簧片產生反向動作力,當傳動元件反向行程達到簧片的動作臨界點后,瞬時完成反向動作。微動開關的觸點間距小、動作行程短、按動力小、通斷迅速。其動觸點的動作速度與傳動元件動作速度無關。
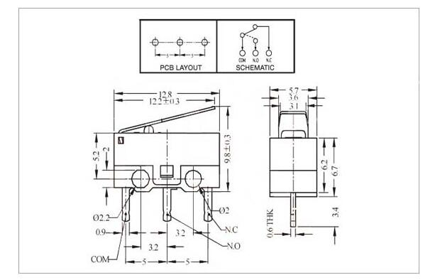
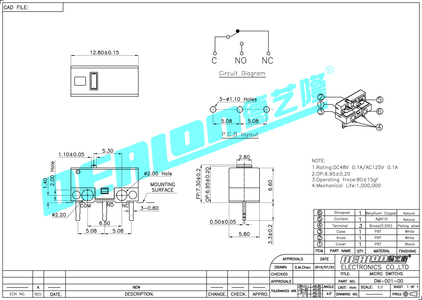
當我們了解清楚它的原理之后 微動開關接線就很簡單了,下面給大家看看我們家比較受歡迎的一款微動開關接線圖---DM-0001-001.如圖:

一般微動開關有三個點,這三個點一個是公共點,一個是常開點,另一個則是閉合點,公共點就好比插座中的零線,常開點就是打開開關,使得電流流過的點,閉合點當然就是斷開電流通過的接點了。把相應的點接入相應的位置,就可以了。微動開關接線的方法雖然看起來很簡單,但是也還是要前提做好相關的準備措施。
也許有很多客戶不懂看圖,我們德藝隆電子20年創新技術不斷打磨,只為讓客戶使用上更好的開關,所以,微動開關,就選東莞德藝隆電子,一家值得您信賴的微動開關廠家。歡迎來電咨詢。
地址:東莞市塘廈鎮蓮湖第一工業區31號
傳真:+86-0769-27200836
手機:139-2585-8458
網站:www.zhaitie.cn
E-mail:sales@twdealon.com